animateMainmenucolor
activeMenucolor
Главная
Лизинг
Буровая установка УРБ 2.5 А
Характеристики
Устройство УРБ 2.5 А
Подготовка к работе
Меры безопасности
Смазка буровой установки
Возможные неисправности
Бурение
Буровое оборудование
Геофизические приборы
Буровые установки
Буровой инструмент
Запчасти УРБ
Горные породы
Контакты
Буровая установка
УРБ 2,5 А
ООО "Аумаз"
Главная
О фирме
Буровые установки
Контакты
Главная
Лизинг
Буровая установка УРБ 2.5 А
Характеристики
Устройство УРБ 2.5 А
Подготовка к работе
Меры безопасности
Смазка буровой установки
Возможные неисправности
Бурение
Буровое оборудование
Геофизические приборы
Буровые установки
Буровой инструмент
Запчасти УРБ
Горные породы
Главная
/
Буровое оборудование
/
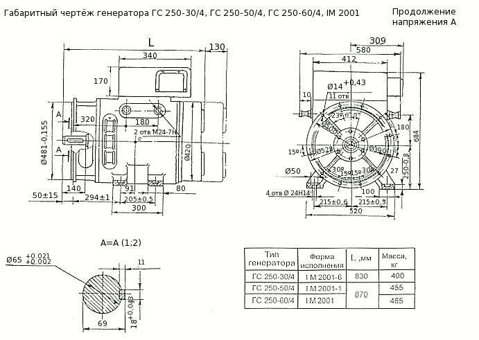
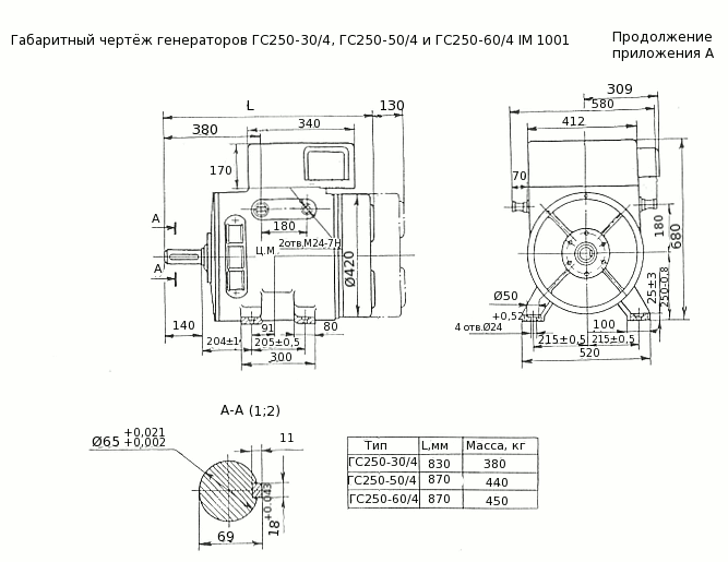
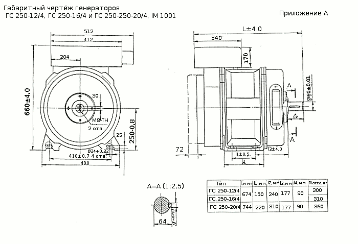
Генератор ГС 250-12/4
/ Общий вид генератора ГС 250
Общий вид генератора ГС 250