![]() |
Трубы бурильные легкосплавные (ТБЛ) ТУ 3668-708-01423949-03 прочные предназначены для бурения скважин преимущественно колонковым способом с использованием алмазных и твердосплавных коронок на повышенных частотах вращения при поисках и разведке на твердые полезные ископаемые и воду, при направленном (многоствольном) бурении и коррекции трассы скважин, инженерно-геологических изысканиях, в строительстве. Глубина бурения: до 1200 м. Трубы изготовлены из алюминиевого сплава Д16Т, замки из легированной стали марки 40ХН. Замки присоединяются к гладким трубам посредством резьбы и специального клея. ТБЛ разработаны взамен легкосплавных бурильных труб ниппельного соединения ЛБТН диаметром 42, 54 и 68 мм и в дополнение к трубам ТБСУ. |

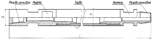
Рисунок 3. Труба бурильная легкосплавная
Таблица 6. Техническая характеристика бурильных труб ТБЛ
|
Обозначение |
Основные размеры, мм |
Номинальная |
Расчётная |
Присоеди- |
Момент | ||
|
Тело трубы |
Замок | ||||||
|
Наружный |
Толщина |
Наружный | |||||
|
ТБЛ-43 |
43 |
7,0 |
43,5 |
3,2 |
9,0 |
3-34 |
700 |
|
4,7 |
12,3 | ||||||
|
ТБЛ-55 |
55 |
9,0 |
55.5 |
3,2 |
15,0 |
3-45 |
1600 |
|
4.7 |
20,4 | ||||||
|
ТБЛ-63,5 |
63.5 |
9,0 |
64 |
3,2 |
18,8 |
3-53 |
2300 |
|
4,7 |
25,2 | ||||||
|
ТБЛ-70 |
70 |
9,0 |
70,5 |
3,2 |
21,2 |
3-57 |
3000 |
|
4,7 |
28,4 | ||||||
|
ТБЛ-85 |
85 |
9,5 |
85,5 |
3,2 |
29,3 |
3-67 |
4700 |
|
4,7 |
38,7 | ||||||
Примечание: По желанию заказчика длина трубы от 0,8 до 4,7 м по согласованному чертежу.
Таблица 7. Механические свойства материала тела трубы и замка
|
Наименование параметров |
Значение параметров (не менее) | |
|
Тело трубы, |
Летали замка, | |
|
Временное сопротивление σв, МПа (кгс/мм2) |
390 (40) |
882(90) |
|
Предел текучести при растяжении σm, МПа (кгс/мм2) |
255 (26) |
686(70) |
|
Относительное удлинение, % |
12 |
15 |
|
Твердость сердцевины, HRC |
- |
26 |
Сертификат соответствия № РОСС ки.АЯЗб.в27788
Примечание:
- Механические свойства материала деталей замка указаны после их объёмной термообработки (улучшения).
- Поверхностная твердость после закалки ТВЧ закалочных мест деталей замка - min 55HRC.
Применение ТБЛ в работе обеспечивает:
- Максимальное повышение производительности бурения путем значительно более полного использования скоростных возможностей современного бурового оборудования в сравнении с трубами ТБСУ.
- Повышение качества и эффективности управления трассами скважин, в том числе при направленном бурении.
- Сокращение номенклатуры вспомогательного инструмента, а также облегчение условий труда бурового персонала, существенное сокращение времени на спускоподъемные операции, удобства и экономия при транспортировке.
- Охват практически всей гаммы алмазных буровых коронок по типам и диаметрам, всего диапазона глубин геологоразведочных скважин до 1200 м и соответствующего бурового оборудования, благодаря широкой номенклатуре труб по диаметрам и длинам.
Трубы бурильные легкосплавные применяются на станках, отвечающих требованиям, представленным в таблице 1.
ТБЛ замкового соединения - легкосплавные трубы нового поколения - существенно превосходят отечественные ЛБТН и зарубежные трубы ниппельного соединения:
- Благодаря конструктивным особенностям прочность на знакопеременный изгиб ТБЛ на 35% выше, чем у ЛБТН и зарубежных аналогов.
- Разъемным замковым резьбам ТБЛ требуется почти вдвое меньше оборотов по сравнению с цилиндрическими резьбами ЛБТН до полного свинчивания резьбового соединения. Поверхностное упрочнение замковых резьб методом карбонитрации на нашем заводе практически исключает их выход из строя по причине заеданий и износа.
- ТБЛ наиболее эффективны при высокочастотном, преимущественно алмазном способе бурения, а также при коррекции трассы скважин и направленном (многоствольном) бурении.
- Применение одинаковых наружных диаметров и разъемных замковых резьб
обеспечивает полную взаимозаменяемость труб ТБЛ и ТБСУ, что позволяет
формировать различные оптимальные компоновки бурильных колонн из ТБСУ и
ТБЛ.
Например, при бурении в крепких породах коронками диаметром 93 мм скважин глубиной 200 и более метров целесообразно установить в нижней части колонны длиной до 15 м от забоя стальные трубы ТБСУ-85 (для создания осевой нагрузки до 20 кН), а в верхней - легкосплавные ТБЛ-85. Это позволит использовать самые высокие частоты вращения, которые могут быть сохранены на значительных глубинах скважин при высокой надежности бурильной колонны. Кроме того, будут облегчены условия труда буровой бригады - при спускоподъемных операциях отпадает необходимость замены элеваторов, наголовников и вилок труборазворота, а трудоемкость ручных операций с ТБЛ помощника машиниста буровой установки значительно снижается.
Примеры обозначения бурильных труб при заказе:
- Труба бурильная прочная диаметром 55 мм, толщиной стенки 9 мм, длиной 4,7 м:
- Труба П55 х 9,0-4,7 ТУ 3668-708-01423949-03
- То же для трубы с левой резьбой:
- Труба ПЛ55 х 9,0 -4,7 ТУ 3668-708-01423949-03
Источник: "Каталог геологоразведочного
инструмента
ОАО "Завод бурового оборудования", г.
Оренбург


