Трубы колонковые предназначены для приёма керна, последующей транспортировки его на поверхность и поддержания нужного направления ствола скважины в процессе бурения.
Обсадные трубы служат для предотвращения обвалов стенок скважины в неустойчивых породах, перекрытия напорных и поглощающих горизонтов и для других целей. Эти трубы выпускаются в соответствии с ГОСТ 6238-77, которым предусмотрено изготовление обсадных и колонковых труб двух типов:
- безниппельные - соединяемые в обсадные колонны «труба в трубу»;
- ниппельные - включаемые в одинарные колонковые наборы, состоящие из одной или нескольких соединяемых между собой ниппелями колонковых труб или соединяемые в обсадные колонны при помощи ниппелей.
Размеры обсадных безниппельных труб должны соответствовать указанным на рис. 134 и в табл. 88.

Рис. 134. Обсадная
безниппельная труба.
Таблица 88. Размеры и масса обсадных безниппельных труб
|
Точность |
Наружный |
Толщина |
Диаметр |
Диаметр |
Теоретическая масса |
Длина | ||||
|
Номин. |
Пред. откл. |
Номин. |
Пред. откл. |
Номин. |
Пред. откл. |
Номин. |
Пред. откл | |||
|
1 |
2 |
3 |
4 |
5 |
б |
7 |
8 |
9 |
10 |
11 |
|
Повышенная |
33,5 |
+0,15 |
3,0 |
+0,25 |
32,0 |
+0,17 |
29,5 |
-0,17 |
2,26 |
1500-3000 |
|
Повышенная |
44 |
+0,20 |
3,5 |
+0,25 |
42,5 |
+0,17 |
40,0 |
-0,17 |
3,50 | |
|
Обычная |
57 |
±0,45 |
4,5 |
+0,54 -0,36 |
54,5 |
+0,50 |
52,0 |
-0,50 |
5,83 |
1500-4500 |
|
Повышенная |
±0,25 |
4,5 |
±0,36 |
54,5 |
+0,20 |
52,0 |
-0,20 | |||
|
Обычная |
73 |
±0,57 |
5,0 |
+0,60 -0,40 |
70,0 |
+0,50 |
67,5 |
-0,50 |
8,38 |
1500-6000 |
|
Повышенная |
±0,36 |
5,0 |
±0,40 |
70,0 |
+0,20 |
67,5 |
-0,20 | |||
|
Обычная |
89 |
+0,70 |
5,0 |
+0,60 -0,40 |
86,0 |
+0,50 |
83,5 |
-0,50 |
10,36 |
1500-6000 |
Примечания:
Углы упорного уступа, упорного торца и внутренней фаски должны
обеспечиваться конструкцией режущего инструмента и на трубах не
контролируются.
Угол заходной фаски резьб является справочным.
По
требованию потребителя допускается поставка до 10% партии труб мерной длины,
кратной 1500 мм, с предельным отклонением ±70 мм.
По требованию потребителя
допускается поставка труб большей длины.
При вычислении теоретической массы
плотность стали принята равной 7,85 г/см3.
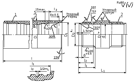
Размеры (в мм) колонковых и обсадных труб ниппельного соединения и ниппелей к ним должны соответствовать приведенным на рис.135.

Рис.135. Колонковая
(обсадная) труба ниппельного соединения и ниппеля к ней: а — труба; б —
ниппель.
Овальность и разностенность труб не должны выводить размеры за предельные отклонения соответственно по наружному диаметру в толщине стенки.
Непрямолинейность (кривизна) труб на 1 м длины не должна превышать:
- обычной точности:
0,7 мм - для труб диаметром от 25 до 89 мм;
1,0 мм - для труб диаметром от 108 до 146 мм; - повышенной точности:
0,3 мм - для труб диаметром от 33,5 до 73 мм;
0,5 мм - для труб диаметром от 89 до 146 мм.
Параметры резьбы обсадных и колонковых труб должны соответствовать указанным на рис. 136 и в табл. 90 и 91.

Рис. 136. Параметры
резьбы обсадных и колонковых труб: 1 — внутренняя резьба; 2 — наружная
резьба.
Таблица 90. Наименования параметров резьбы
|
Параметры |
Норма |
|
Шаг резьбы S1 |
4,000 |
|
Рабочая высота витка t |
0,750 |
|
Ширина витка у вершины наружной резьбы m |
1,922 |
|
Ширина витка вершины внутренней резьбы m1 |
1,934 |
|
Наименьший зазор по ширине витка а |
0,012 |
|
Угол наклона боковых сторон а/2, градус |
5 |
Предельные отклонения по ширине витка - минус 0,12 мм. Предельные отклонения по ширине впадины - плюс 0,12 мм.
Отклонения по шагу резьбы должны быть компенсированы соответствующим уменьшением толщины витка (увеличением ширины впадины) в пределах поля допуска.
По вершинам и впадинам витка резьбы труб и ниппелей допускается закругление радиусом не более 0,25 мм.
Значения радиусов по вершинам и впадинам профиля резьбы и углов наклона боковых сторон профиля даны для проектирования резьбообразующего инструмента, и на готовых изделиях их не контролируют. При этом должна быть обеспечена свинчиваемость ниппеля с трубой.
Овальность резьбы труб и ниппелей, расточек и проточек по диаметру не должна превышать:
- 0,5 мм - для труб и ниппелей диаметром 25-89 мм;
- 0,6 мм - для труб и ниппелей диаметром 108 мм и более.
Примеры условных обозначений:
- Труба обсадная безниппельная диаметром 73 мм, с правой резьбой, обычной точности, из материала группы прочности Д:
- Труба обсадная БН-73-ДГОСТ6238-77
- То же, повышенной точности изготовления:
- Труба обсадная БН-73 II-ДГОСТ 6238-77
- То же, с левой резьбой:
- Труба обсадная БН-73 II-Л-ДГОСТ 6238-77
- То же, мерной длины (длиной 3000 мм):
- Труба обсадная БН-73 II х 3000-Л-ДГОСТ 6238-77
- Труба обсадная ниппельного соединения диаметром 73 мм, с толщиной стенки 5 мм, из материала группы прочности Д
- Труба обсадная Н 73 х 5 -ДГОСТ 6238-77
- Труба колонковая диаметром 73 мм, с толщиной стенки 5 мм, длиной 3000 мм, из материала группы прочности К:
- Труба колонковая К73 х 5 х 3000 - К ГОСТ 6238-77
- Ниппель наружным диаметром 73 мм из материала группы прочности Д:
- Ниппель 73-Д ГОСТ 6238- 77
Обсадные и колонковые трубы и ниппели к ним изготовляют из стали групп прочности Д, и М. Массовая доля серы и фосфора не должна превышать 0,045% каждого. Обсадные и колонковые трубы группы прочности М изготовляют по согласованию изготовителя с потребителем.
Колонковые трубы диаметром 25-73 мм изготовляют холоднодеформированными. Механические свойства стали труб и ниппелей должны соответствовать указанным в табл. 92.
Резьба труб и ниппелей должна быть гладкой, без рванин и других дефектов, нарушающих её непрерывность и прочность.
Геометрические оси резьб обоих концов ниппелей должны совпадать. Отклонение от соосности и плоскости любого торца ниппеля не должно превышать 0,6 мм.
Таблица 91. Параметры резьбы обсадных и колонковых труб
|
Наружный |
Обозначение |
Наружная резьба |
Внутренняя резьба | ||||||
|
Наружный |
Внутренний |
Наружный |
Внутренний | ||||||
|
Номин. |
Пред. откл. |
Номин. |
Пред. откл. |
Номин. |
Пред. откл. |
Номин. |
Пред. откл. | ||
|
Обсадные трубы безниппельного соединения | |||||||||
|
33,5 |
31.6x4 42x4 |
31,6 |
0,100 |
30,1 |
- 0,100 |
31,632 |
+0,140 |
30,1 |
+0,100 |
|
57,0 |
54x4 69,5x4 |
54,0 |
0,120 |
52,568,0 |
- |
54,040 |
+0,200 |
52,5 |
+0,120 |
|
89,0 |
85,5x4 |
85,5 |
- |
84,0 |
- |
85,550 |
+0,230 |
84,0 |
+0,140 |
|
Колонковые и обсадные трубы ниппельного соединения и ниппели к ним | |||||||||
|
25,0 |
21,5x4 |
- |
- |
- |
- |
21,525 |
+0,140 |
20,0 |
+0,084 |
|
44,0 |
40x4 |
40,0 |
- |
38,5 |
- 0,100 |
40,032 |
0,170 |
38,5 |
+0,100 |
|
57,0 |
52x4 |
52,0 |
- |
50,5 |
- |
52,040 |
+0,200 |
50,5 |
+0,120 |
|
89,0 |
84x4 |
84,0 |
- |
82,5 |
- |
84,050 |
+0,230 |
82,5 |
+0,140 |
|
127,0 |
122x4 |
122,0 |
- |
120,5 |
- |
122,060 |
+0,260 |
120,5 |
+0,160 |
Примечание: Допускается плавное увеличение диаметра резьбы ниппеля (не более 0,2 мм) перед упорным уступом на длине не более 15 мм, не препятствующее свинчиваемости с трубой.

