Легкосплавные бурильные трубы ЛБТМ-54
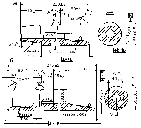
Легкосплавные бурильные трубы разработаны двух типов: муфтово-замкового ЛБТМ-54 (рис. 144, а) и ниппельного ЛБТН-54 (рис. 144, б) соединений.
Трубы изготавливают из сплава Д16Т, соединительные замки и ниппеля (типов А и Б) — из стали 40 ХН, муфты — из стали 36Г2С. Поверхность замков и ниппелей закалена ТВЧ. При сборке легкосплавных труб с ниппелями используют самотвердеющий герметизирующий состав УС-1, в связи с чем соединения являются неразборными. Основные размеры и масса труб приведены в табл. 101.

Рис. 144.
Легкосплавные бурильные трубы: а — ЛБТМ-54; 1 — замок; 2 — труба; 3 — муфта; б —
ЛБТН-54; 1 — ниппель типа А; 2 — труба; 3 — ниппель типа Б.
Таблица 101. Размеры и масса легкосплавных бурильных труб
|
Наименование показателей |
Значения показателей для труб | |
|
ЛБТМ-54 |
ЛБТН-54 | |
|
Диаметр, мм: |
|
|
|
трубы |
54 |
54 |
|
замка и муфты (наружный) |
65 |
|
|
замка (внутренний) |
28 |
|
|
ниппелей (наружный) |
|
54 |
|
ниппелей(внутренний) |
|
22 |
|
Толщина, мм: |
|
|
|
стенки трубы |
7,5 |
9 |
|
концов трубы |
13,0 |
9 |
|
Присоединительная резьба: |
|
|
|
труб с замками и муфтами |
Т-50 |
|
|
свечей между собой |
3-50 ГОСТ 7918 |
|
|
труб с ниппелями и свечей между собой |
|
42 |
|
Длина трубы, мм |
4500 |
4700 |
|
Масса 1 м трубы с соед. элементами, кг: |
|
|
|
в воздухе |
4,0 |
4,3 |
|
в воде |
2,8 |
3,0 |
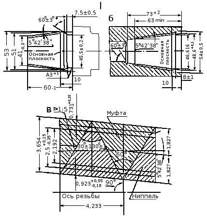
Замки для соединения между собой бурильных свечей из труб диаметром 50 мм и труб ЛБТМ-54 изготавливают по ГОСТ 7918—75. Замок состоит из ниппеля (рис. 145, а) и муфты (рис. 145, б), соединяемых между собой как правой, так и левой замковой резьбой.

Рис. 145. Замок
бурильных труб: а — ниппель; б — муфта.
Профиль и размеры замковой резьбы ниппеля и муфты должны соответствовать указанным на рис. 146.

Рис. 146. Профиль и
размеры резьбы ниппелы замка: а — ниппель; б — профиль резьбы.
Профиль и размеры трубной резьбы ниппеля и муфты должны соответствовать указанным на рис. 147. Допускается изготовление трубной резьбы с плоским срезом вершин профиля.

Рис. 147. Профиль и
размеры резьбы муфты: а - размеры; б — профиль резьбы.
Предельные отклонения шага (в мм) и конусности резьб не должны превышать значений, указанных в табл. 102.
Таблица 102. Предельные отклонения элементов профиля трубной
резьбы
|
Элементы профиля резьбы |
Предельные отклонения, мм на длине | |
|
25,4 |
60 | |
|
Шаг |
±0,05 |
±0,10 |
|
Конусность (по наружному, среднему и внутреннему диаметру) |
±0,08 |
±0,16 |
|
Половина угла профиля, град. |
±1 | |
Механические свойства стали 40хН после термообработки должны иметь следующие величины (не менее):
|
предел прочности при растяжении, Н/мм2 (кгс/мм2) |
882 (90) |
|
предел текучести при растяжении, Н/мм2 (кгс/мм2) |
686 (70) |
|
относительное удлинение, % |
15 |
|
относительное сужение, % |
50 |
|
ударная вязкость при 20° С, Н.М/мм2 (кгс/см2) |
118(12) |
|
твёрдость, HRC |
26 |
Наружная поверхность муфт и ниппелей должна быть подвергнута индукционной термообработке на глубину 1,5-2,5 мм. Участки на длине 50-65 мм со стороны торца замковой резьбы муфты и 30-35 мм со стороны трубной резьбы ниппеля и муфты индукционной термообработке не подлежат. Замковая резьба З-50 ниппелей и муфт замков должна быть подвергнута индукционной термообработке на глубину 3,3-5,0мм от вершины профиля до твёрдости HRC 48-56 единиц в любом сечении.
Легкосплавные бурильные трубы ЛБТН
Легкосплавные бурильные трубы ниппельного соединения для бурения скважин с породоразрушающий инструментом диаметром 59 мм. Трубы изготавливают из алюминиевого сплава с соединением между собой стальными ниппелями, имеющими цилиндрическую резьбу со стабилизирующими поясками, которые повышают предел выносливости резьбы труб. Основные параметры этих труб и ниппелей приведены в табл. 103.
Таблица 103. Основные параметры ЛБТН
|
Наименование параметров |
Труба |
Ниппель А |
Ниппель Б |
Труба в сборе |
|
Длина, мм |
4700 ± 5 |
216 |
280 |
4737 |
|
Толщина, стенки, мм |
9 ± 0,9 |
- |
- |
|
|
Тип резьбы |
цилиндрическая 41,5 х 6,35 | |||
|
Материал |
Сплав Д16Т |
Сталь 40ХН |
Сталь 40ХН |
|
|
Масса, кг, не более |
15,7 |
1,75 |
2,50 |
20,0 |
В соответствии с ТУ 41-01-199-76 могут изготавливаться замки 3-42-ТВЧ с индукционно закалённой замковой резьбой, предназначенные для соединения геологоразведочных бурильных труб, основные размеры которых приведены ниже.
Замки должны изготавливаться из стали марки 40ХН, механические свойства которой после объёмной термообработки те же, что и для замков З-50. Замки З-63,5 должны соответствовать ТУ 41-01-208-76, основные параметры и размеры которых приведены в табл. 104. Конструкция и материал замков З-63,5 аналогичны замкам других размеров.
Бурильные колонны ниппельного соединения находят ограниченное распространение из-за возможности разрушения резьбы ниппелей при использовании труборазворотов.
Таблица 104. Основные параметры и размеры замков З-63,5
|
Показатели |
Величина |
|
Наружный диаметр, мм |
83 ± 0,5 |
|
Внутренний диаметр, мм |
40 ± 0,5 |
|
Длина в сборе, мм |
480 |
|
Средний диаметр в основной плоскости мм |
|
|
замковой резьбы |
61,633 |
|
трубной резьба |
61,786 |
|
Масса в сборе, кг |
13,0 |

